产品中心
product center-
气象环境监测
-
水文地质监测
-
水质污水监测
-
植保仪器设备
-
公路交通监测
-
光伏辐射监测
-
大气环保监测
-
生化病毒检测
山东雷穹电子科技有限公司
销售电话:15863691020
销售QQ:1379335561
公司地址:山东省潍坊市高新区光电路155号光电产业加速器(一期)
一体化气象传感器
【产品简介】一、一体化气象传感器产品简介山东雷穹电子科技有限公司作为专业研发生产销售微型气象仪的企业,一直致力于微型气象仪和气象环境解决方案推广应用。具有完整的生产链、实力雄厚的技术团队和全面···
- 型号
- LQ-WQX5
- 品牌
- 雷穹
- 价格
- 电议优惠
- 产品简介
- 详情图片
- 相关产品
一、一体化气象传感器产品简介
山东雷穹电子科技有限公司作为专业研发生产销售微型气象仪的企业,一直致力于微型气象仪和气象环境解决方案推广应用。具有完整的生产链、实力雄厚的技术团队和全面的营销团队,我们研发生产的超声波风速风向仪、五要素微气象仪、六要素微气象仪和小型自动气象站等气象产品,已广泛应用到气象监测、城市环境监测、风力发电、航海船舶、航空机场、桥梁隧道等领域,客户遍布全国各地,并取得了良好的社会效益和经济效益。
与传统的微型气象仪相比,我司产品克服了对高精度计时器的需求,避免了因传感器启动延时、解调电路延时、温度变化而造成的测量不准问题。
一体化气象传感器创新性地将风速、风向、温度、湿度、大气压力通过一个高集成度结构来实现,可实现户外气象参数24小时连续在线监测,通过数字量通讯接口将五项参数一次性输出给用户。
二、一体化气象传感器产品特点
1、顶盖隐藏式超声波探头,避免雨雪堆积的干扰,避免自然风遮挡(实用新型专利,专利号ZL 2020 2 3215713.X)☆
2、原理为发射连续变频超声波信号,通过测量相对相位来检测风速风向(发明专利,专利号ZL 2021 1 0237536.5)☆
3、风速、风向、温度、湿度、大气压力五要素一体式(实用新型专利,专利号ZL 2020 2 3215649.5)☆
4、采用先进的传感技术,实时测量,无启动风速☆
5、抗干扰能力强,具有看门狗电路,自动复位功能,保证系统稳定运行
6、高集成度,无移动部件,零磨损
7、免维护,无需现场校准
8、采用ASA工程塑料室外应用常年不变色
9、产品设计输出信号标配为RS485通讯接口(MODBUS协议);可选配232、USB、以太网接口,支持数据实时读取☆
10、可选配无线传输模块,最小传输间隔1分钟
11、探头为卡扣式设计,解决了运输、安装过程松动不准的问题☆
三、一体化气象传感器技术参数
1、风速:测量原理超声波,0~60m/s(±0.1m/s)分辨率0.01m/s;(发明专利,专利号ZL 2021 1 0237536.5)
2、风向:测量原理超声波,0~360°(±2°);分辨率:1°;(发明专利,专利号ZL 2021 1 0237536.5)
3、空气温度:测量原理二极管结电压法,-40-60℃(±0.3℃),分辨率0.01℃;(北京市气象局校准证书)
4、空气湿度:测量原理电容式,0-100%RH(±3%RH),分辨率:0.1%RH;(北京市气象局校准证书)
5、大气压力:测量原理压阻式,300-1100hpa(±0.25%),分辨率0.1hpa;(北京市气象局校准证书)
6、功率:0.72W
7、生产企业具有ISO质量管理体系、环境管理体系和职业健康管理体系认证☆
8、生产企业具有计算机软件注册证书☆
9、生产企业为3A级信用企业☆
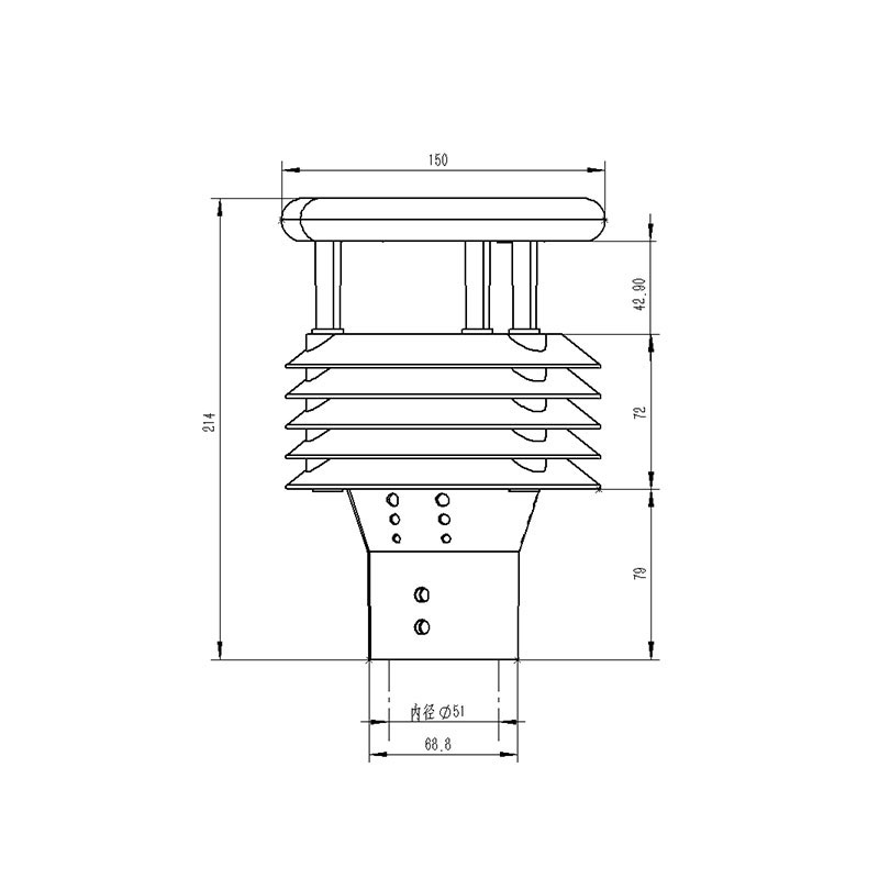
四、一体化气象传感器产品尺寸图

五、一体化气象传感器产品结构图

1、控制电路
2、指北箭头
3、超声波探头
4、百叶箱
5、温度、湿度、气压监测位置
6、底部固定法兰
※此产品可选配电子罗盘、GPRS(内置)/GPS(二选一)
六、一体化气象传感器产品接线定义

| 定义 | 备注 | |
| VCC | 电源正 | DC12V |
| GND | 电源地 | |
| 485A | RS485A | |
| 485B | RS485B |
本文地址:https://sdlqdz.com/wxqxy/2531.html

























