产品中心
product center-
气象环境监测
-
水文地质监测
-
水质污水监测
-
植保仪器设备
-
公路交通监测
-
光伏辐射监测
-
大气环保监测
-
生化病毒检测
推荐文章
联系我们
山东雷穹电子科技有限公司
销售电话:15863691020
销售QQ:1379335561
公司地址:山东省潍坊市高新区光电路155号光电产业加速器(一期)
更新时间:2026-04-15
土壤电导率含盐量传感器
【产品简介】一、土壤电导率含盐量传感器技术指标1.供电:DC12V2.功耗:小于0.1W3.工作温度:-30~70℃4.通信接口:RS4855.工作电流:8mA DC12V6.最短数据间隔:6···
- 型号
- TY485
- 品牌
- 雷穹
- 价格
- 电议优惠
- 产品简介
- 详情图片
- 相关产品
一、土壤电导率含盐量传感器技术指标
1.供电:DC12V
2.功耗:小于0.1W
3.工作温度:-30~70℃
4.通信接口:RS485
5.工作电流:8mA DC12V
6.最短数据间隔:60S
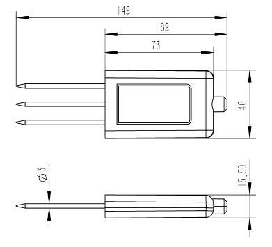
二、土壤电导率含盐量传感器产品尺寸图

三、土壤电导率含盐量传感器使用注意事项
1.传感器安装应严格按照安装使用说明书进行。
2.多个传感器同时工作时,必须间隔5米以上距离。
3.传感器测量原理限制,传感器测量地为中心半径5米范围内不应有电磁线缆和强磁辐射干扰,
避免造成传感器测量的巨大误差和损坏。
4.传感器的安装环境应该符合传感器的测量范围,避免超量程等不规范行为。
5.传感器安装应避开强酸强碱、重油污重金属环境进行。
6.传感器为土壤测量传感器,禁止将本传感器对其他行为。
7.传感器安装环境不能有强振动。
8.传感器不能有过强外力作用。
9.禁止拆卸,私自拆卸将不提供任何服务。
10.传感器探针较为锋利,使用时应按规定注意佩戴护具。
11.设备使用和维护应严格按照上述注意事项进行,如有违规使用的行为,本司不承担相关负责。
四、土壤电导率含盐量传感器传感器参数
| 参数 | 测量范围 | 精度 | 分辨率 | 单位 |
| 土壤电导率 | 0~20000 | ±3%(15℃,0~10000us/cm)±5%(全量程) | 1 | us/cm |
| 土壤含盐量 | 0~12800 | ±3% | 1 | mg/L |
本文地址:https://sdlqdz.com/trcdy/2981.html
- 上一篇:土壤温湿度传感器
- 下一篇:没有了!








