产品中心
product center-
气象环境监测
-
水文地质监测
-
水质污水监测
-
植保仪器设备
-
公路交通监测
-
光伏辐射监测
-
大气环保监测
-
生化病毒检测
山东雷穹电子科技有限公司
销售电话:15863691020
销售QQ:1379335561
公司地址:山东省潍坊市高新区光电路155号光电产业加速器(一期)
标准款浮标微系统
【产品简介】一、标准款浮标微系统功能简介1.标准款浮标微系统SFA集数据采集、存储、传输和管理于一体的无人值守的采集系统。它在工农业生产、旅游、城市环境监测、地质灾害、防洪、供水调度、电站水库···
- 型号
- LQ-SFA
- 品牌
- 雷穹
- 价格
- 电议优惠
- 产品简介
- 详情图片
- 相关产品
一、标准款浮标微系统功能简介
1.标准款浮标微系统SFA集数据采集、存储、传输和管理于一体的无人值守的采集系统。它在工农业生产、旅游、城市环境监测、地质灾害、防洪、供水调度、电站水库水情管理等为目的水文自动测报系统;功能强大的上位机软件可远程观测实时水雨情信息,具有数据库、报表、下载等功能,用户还可利用该功能完善的气象软件对记录的数据作进一步的处理分析。
2.水质监测系统具体由水质传感器、数据采集仪、通讯系统、供电系统、整体支架、水质监测平台六部分组成。可同时监测水温、PH、溶解氧、电导率、氨氮、 浊度、COD等,多项水质要素。数据采集仪具有数据采集、实时时钟、数据定时存储、参数设定和标准2G/4G(GPRS)通信功能。
二、标准款浮标微系统产品特点
1.易部署:各类型探头进行高度集成,安装方便;提供免费云平台服务,系统快速上线;
2.易维护:设备安装后,自行工作即可,无需人工值守,也可以通过远程监控的方式保障设备的正常运行;
3.易扩展:传感器探头均使用统一的通信协议,可以快速对接原设备,快速扩展监测参数;
4.低功耗:设备可以实现低功耗状态下,长时间运行,增加设备使用的便利性;
5.实时性:设备监测到的数据实时传输至云平台,提升环境数据反馈的及时性。
三、标准款浮标微系统技术参数
1.主体参数
| 产品名称 | 描述 |
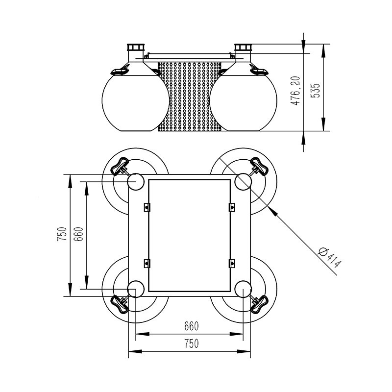
| 标准款浮标微系统 | 可实时实现多路参数在线监测。 可实现电池电量监控。 可实现云平台数据监控、数据推送、数据的存储和报警功能;数据的无线发射功能。 峰值功耗为5W;传感器功耗0.25W左右/只。 外形尺寸:750mm*750mm*535mm。浮球直径414mm 重量:22kg |
| 采集器数据采集 | 运行可靠,抗干扰,可集成多路RS485/MODBUS-RTU从站设备 |
| 采集器数据输出 | 1路Rs485/JSON协议输出 |
| 电池 | 锂电池12VDC,20AH(默认) |
| 太阳能电池板 | 22.1V/50W(默认) |
| 供电能力 | 定制选型;阴雨天间歇工作5天以上 |
| 位置指示(选配) | 警示灯;GPS定位; |
| 监测平台 | 云平台;手机/电脑多终端登录 |
| 防护罩 | 304不锈钢滤筒防护罩 |
| 浮体 | 直径414mm,球形浮体*4工程塑料 |
2.可选配传感器的主要参数
| 序号 | 传感器类型 | 测量范围 | 测量原理 | 测量精度 |
| 1 | 温度 | 0~50℃ | 高精度数字传感器 | ±0.3℃ |
| 2 | pH | 0~14(ph) | 电化学(盐桥) | ±0.1PH |
| 3 | 溶解氧 | 0~20mg/L | 荧光寿命法 | ±2% |
| 4 | 电导率 | 0~5000uS/cm | 接触式电极法 | ±1.5% |
| 5 | 浊度 | 0~40NTU(选配) | 散射光法 | ±1% |
| 6 | ORP | -1500mv~1500mv | 电化学(盐桥) | ±6mv |
| 7 | 铵离子 | 0-1000.00mg/L(默认) 0-100.00mg/l/(可定制) | 离子选择电极法 | 读数的10%, ±0.5℃ |
可根据客户的实际情况及所要达到的技术指标定制合适的检测方案
注意:传感器安装时不能倒置或者水平安装,至少倾斜15度角以上安装,
以上水质传感器工作环境0-50℃,<0.3Mpa。
四、标准款浮标微系统产品尺寸图

五、标准款浮标微系统设备安装要求
1.远离大功率无线电发射源
2.远离高压输电线和微波无线电传送通道
3.尽量靠近数据传输网络
4.远离强电磁干扰
本文地址:https://sdlqdz.com/fbszjc/2812.html
- 上一篇:没有了!
- 下一篇:水质浮标站



























